www.ermec.com

 
 

Componentes eléctricos y electrónicos

 
 
 
ERMEC Barcelona
c/Francesc Teixidó, 22
E-08918 Badalona
(Spain)
bcn@ermec.com 
Tel: (+34)902.450.160
Fax: (+34)902.433.088
www.ermec.com 
 
ERMEC Madrid
Sagasta, 8, 1ª planta
E-28004 Madrid
(Spain)
madrid@ermec.com 
 
Email a Portugal
 

Empresa

Localización

Productos

RR.HH

Calidad

Trabajo

 

Welcome  

Willkommen  

Benvinguts  

Bienvenidos

 

Novedades

Ferias 

Buscar

Catálogo

Horario

Calendario

 



Sobre Mellor
Products & Services
USP
Cuestionario
Notas técnicas
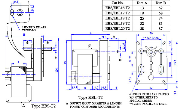
Serie EBT2 de Mellor

Una unidad compacta y versatil, el EBT2 está disponible en una gran variedad de configuraciones y puede ser suministrado con engranajes de bronce sinterizado  y/o rodamientos de bolas. Como opción de bajo coste también ofrecemos esta unidad con un reductor de plástico y un diseño de eje de salida de plástico para acompañar una variedad de sistemas de màquinas vending.


 Disponible con motor SC9 en AC.

 Par de salida: Hasta  4Nm dependiendo de la velocidad y tamaño del motor.

 Rango de velocidades: De 30 a 325rpm.

click here for printable version in pdf format

 

 

 

 
 

www.ermec.com

 
 

Componentes eléctricos y electrónicos

 
 
Distribución de 
componentes
eléctricos y
electrónicos
 
ERMEC Barcelona
c/Francesc Teixidó, 22
E-08918 Badalona
(Spain)
bcn@ermec.com 
Tel: (+34)902.450.160
Fax: (+34)902.433.088
www.ermec.com 
 
ERMEC Madrid
Sagasta, 8, 1ª planta
E-28004 Madrid
(Spain)
madrid@ermec.com 
 
Email a Portugal