www.ermec.com

 
 

Componentes eléctricos y electrónicos

 



Sobre Mellor
Products & Services
USP
Cuestionario
Notas técnicas
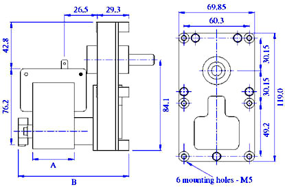
Series  FBT3 de Mellor

El mas pesado de nuestra gama, el FBT3 es una unidad de baja velocidad, gran par diseñada con rodamientos de bolas y nueva preparación para màquinas vending, aunque es igualmente recomendable para muchas otras aplicaciones. Una ingeniería de alta calidad asegura un funcionamiento silencioso y una larga vida.


 Disponible en versiones de AC y DC.
 Par de Salida: Hasta 30Nm AC o 33Nm DC, dependiendo de la velocidad y tamaño del motor.

 Rango de velocidades: 0.8rpm– 50rpm


FBT3 Series AC Motor



FBD T3 DC Motor

 

 

 

ERMEC 

Distribución Componentes eléctricos y electrónicos.  
 
E-08025 BARCELONA (Spain) 
Tel.:(+34).93.450.16.00 
Fax: (+34).93.433.08.85 
Email a Ermec 
www.ermec.com


 

 
 

www.ermec.com

 
 

Componentes eléctricos y electrónicos

 

 

Distribución de
componentes
eléctricos y electrónicos
ERMEC.com
 
E-08025 BARCELONA
(Spain)
Tel.:(+34).93.450.16.00
Fax: (+34).93.433.08.85
Email a ERMEC
www.ermec.com
Email a Zona centro
(Madrid y alrededores)
 
 

Empresa

Localización

Productos

RR.HH

Calidad

Trabajo

 

Welcome  

Willkommen  

Benvinguts  

Bienvenidos

 

Novedades

Ferias 

Buscar

Catálogo

Horario

Calendario